遥感教程简介-第2部分第22页¶
The first "competitor" to Landsat in providing high resolution multispectral images of the Earth is the SPOT series of satellites operated by a French-owned company. SPOT is briefly described here (in detail in Section 3). Its sensors use a different type of detector, the CCD, whose function is discussed in depth on this page.Two examples of SPOT images are displayed.
其他遥感系统-MOMS和SPOT¶
CCD探测器现在普遍用于机载和星载传感器(包括哈勃太空望远镜,它在二维阵列上捕捉天文场景,即许多平行的探测器行)。第一个用于操作的机载推扫扫描器是由加拿大中央控制室制造的多光谱光电成像扫描器(MEIS)。它在8个波段中从0.39到1.1微米成像(使用光学滤波器产生窄带间隔),并使用镜子收集适合立体图像的前后视图(沿轨道)。
德国航空航天研究机构(DFVLR)开发了第一台在太空飞行的推扫扫描器。模块化光学电子多光谱扫描仪(MOMS)于1983年和1984年在航天飞机任务STS-7和STS-11上。它使用两个波段(0.575-0.625和0.825-0.975微米)来产生20米分辨率的图像。下图是津巴布韦的一片农田:
1993年5月,MOMS-2在STS-55上飞行。它有四个多光谱通道(13米分辨率)和一个全色波段(4.3米),并处于立体声模式。这是波斯湾西岸一座城市的全色图像(可能在卡塔尔)。
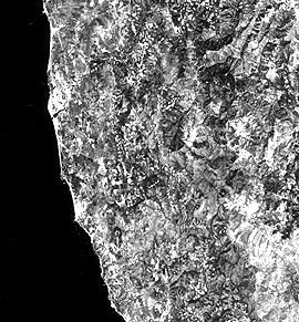
1986年在法国发射的SPOT-1上首次在无人驾驶的地球观测航天器上使用基于CCD的Pushbroom扫描仪。 (Page 3-2 _介绍了SPOT系统,该系统作为一个商业程序运行;目前已经推出了4个SPOT系统)一个SPOT图像的例子,来自其高分辨率视频(HRV)摄像机,覆盖俄勒冈州西南部沿海地区60公里的部分(20米的空间分辨率),是我们展示的下一个图像。W.注意,扫描线不存在,因为每个CCD元件实际上是一个类似于像素的微小区域。
假彩色复合材料是标准的现货产品。这是1994年在佛罗里达州迈阿密西部和大沼泽地边缘开发农田的一部分现场照片,从80年代中期开始,新的住房开发项目已经投入使用。
第三幅图像是一幅全色图像(分辨率为10米),显示了佛罗里达州奥兰多市的边缘,包括机场。
